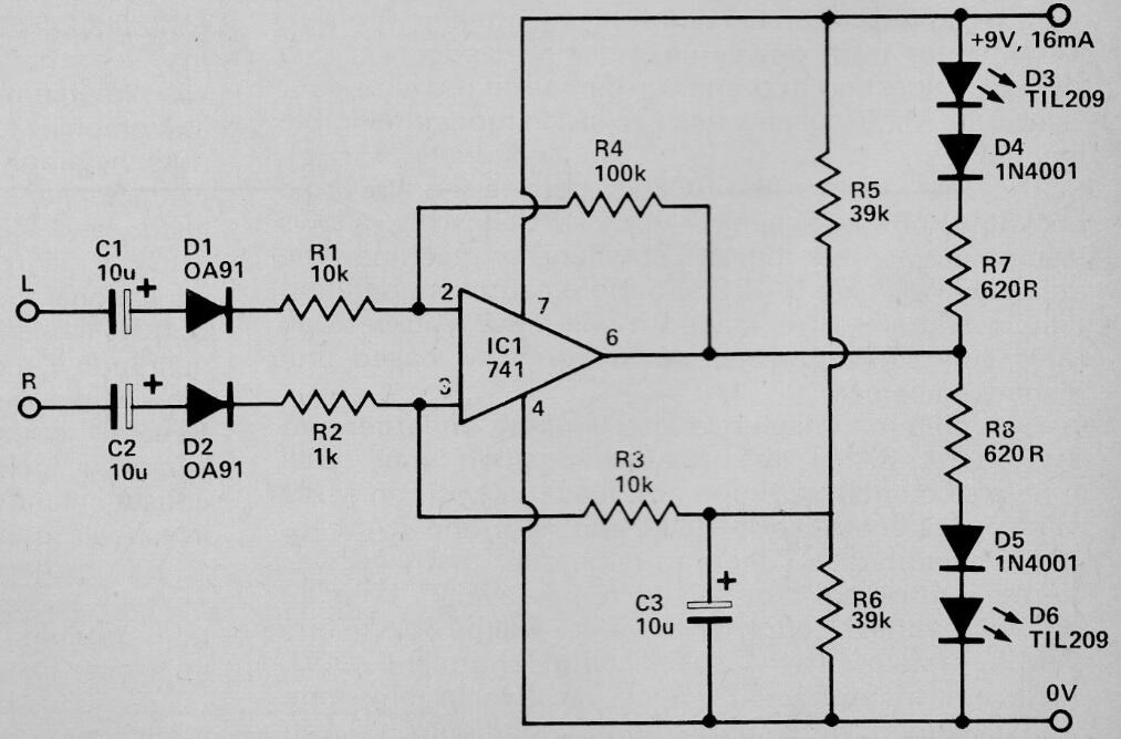
Este circuito es de una documentación técnica de 1977. Los diodos D1 y D2 pueden ser 1N34 o cualquier otro de germanio. El circuito indica cuando los niveles de señal de los dos canales estéreo están balanceados o balanceados. El circuito tiene bajo consumo.




