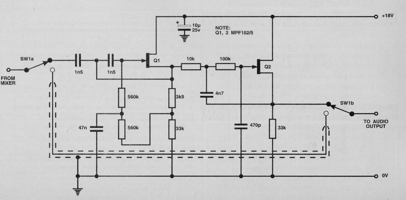
Los transistores de este filtro que se encuentra en una publicación de 1993 pueden ser BF245 o MPF102. El filtro compensa la pérdida de ciertas frecuencias en preamplificadores y mezcladores. Los cables de entrada y salida de señal deben estar blindados y la fuente debe tener un filtrado excelente. En la posición que conecta el cable blindado, la señal pasa directamente por el circuito (bypass).




