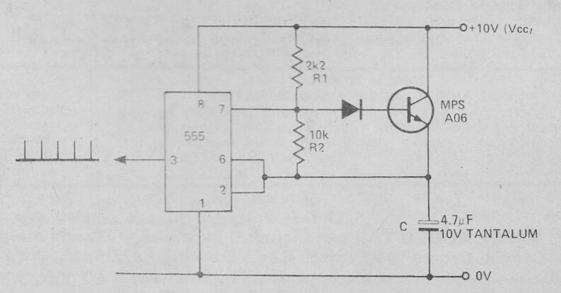
Este circuito de una antigua publicación inglesa de 1978 genera pulsos de muy corta duración a una velocidad dada por C. Vea en la sección de matemáticas cómo calcular los componentes para la frecuencia deseada. El transistor puede ser 2N2222 y la alimentación se puede realizar con tensiones de 9 a 15 V típicamente. El diodo puede ser 1N4148.




