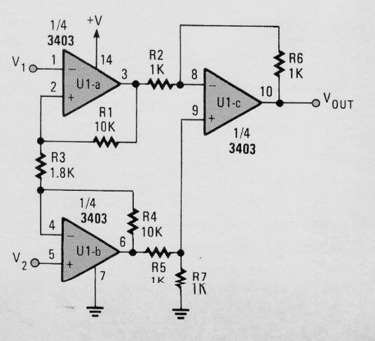
Este amplificador diferencial con alta impedancia de entrada se utiliza en instrumentación. Se pueden utilizar otros amplificadores operacionales como el 741. La fuente no tiene que ser simétrica. La ganancia es unitaria. El circuito se obtuvo de una Popular Electronics de 1993. La fuente de alimentación debe estar entre 6 y 12 V.

Amplificador diferencial de alta impedancia



