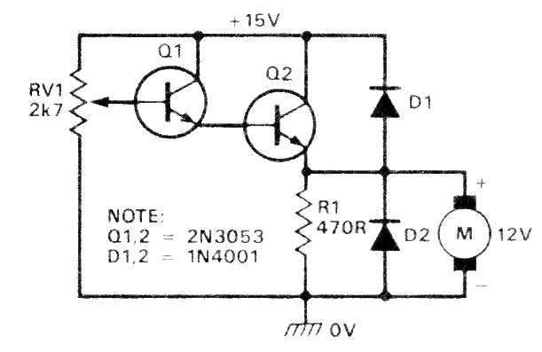
Este circuito se encontró en una publicación antigua de 1989, pero todavía se puede montar con transistores BD135 para motores de hasta 500 mA y hasta 3 A utilizando el TIP31 paraQ2. Los diodos también pueden ser 1N4002 o 1N4004. Los motores de 6 a 12 V se pueden controlar fácilmente. El transistor Q2 debe estar equipado con un radiador de calor. RV1 puede ser 4k7.

Control de motor de CC con dos transistores



