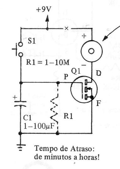
Este simple circuito desconecta una carga, que puede ser un zumbador o campana según la tensión de alimentación, se obtuvo en una documentación de la década de 1980. El FET puede ser de cualquier tipo y el retardo depende del valor del condensador. Se pueden utilizar capacitores de hasta más de 1000 uF.

Se apaga después de cierto tiempo



