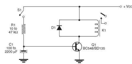
Al activar S1, el relé cierra sus contactos solo después de un cierto intervalo de tiempo que depende de C1. Se pueden obtener fracciones de segundos hasta unos pocos segundos. El circuito funciona con relés de 5 a 12 V y corrientes de 100 mA o un poco más para el BD135. El diodo D1 puede ser 1N4148 o cualquier otro propósito general. El circuito es del libro Robotics, Mechatronics and Artificial Intelligence de Newton C. Braga.




