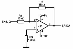
La ganancia de tensión de este amplificador de CC es 100 veces, dada por la relación entre R2 y R1. Esta ganancia se puede cambiar y la tensión de alimentación puede estar entre 6 y 12 V y se debe utilizar una fuente simétrica. Se pueden utilizar otros amplificadores operacionales.

Amplificador 741 com Ganancia 100



