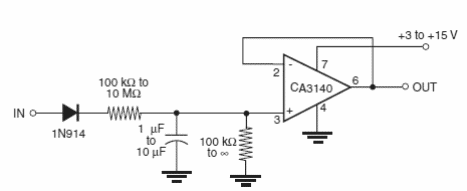
Este circuito puede memorizar una señal de entrada como una carga en el capacitor. El tiempo de memorización depende de la calidad del capacitor, que preferiblemente debe ser del tipo de poliéster que tenga menos fugas. El tiempo de memorización también depende del valor del capacitor. Se pueden utilizar otros amplificadores operacionales con FET. El circuito es del libro Robotics, Mechatronics and Artificial Intelligence de Newton C. Braga, publicado en Estados Unidos.




