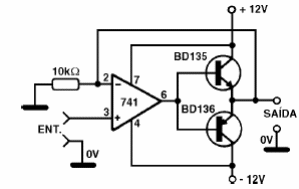
Con esta configuración tenemos un seguidor de tensión, amplificador con ganancia unitaria, en el que la impedancia de salida es extremadamente alta y la salida puede suministrar corrientes de hasta 500 mA. La fuente de alimentación debe ser simétrica de 6 a 12 V y los transistores deben estar equipados con radiadores de calor. Se pueden utilizar otros amplificadores operacionales. El circuito es de un libro de Newton C. Braga.




