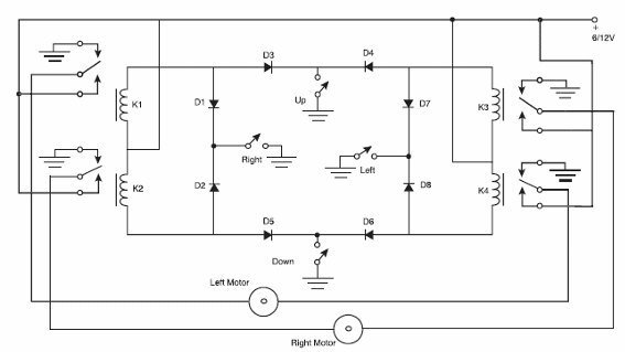
En este circuito los relés son de tensiones según los motores y los diodos pueden ser 1N4002 o 1N4004 para corrientes de hasta 1 A de motor. El circuito permite el uso de un joystick para controlar dos motores de un robot de manera que esté hacia adelante, hacia atrás, hacia la derecha o hacia la izquierda. El circuito es de Mechatronics for the Evil Genius de Newton C. Braga publicado en los Estados Unidos.




