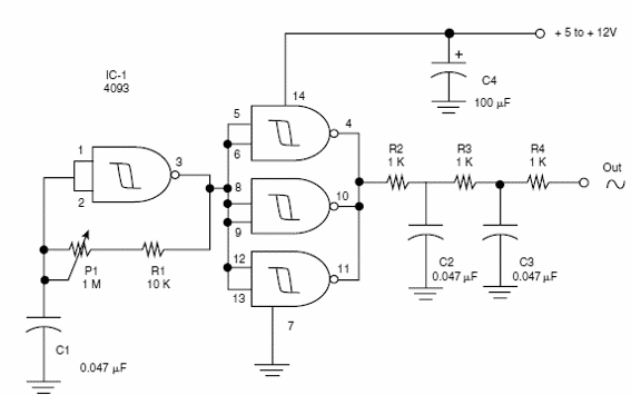
Este circuito genera señales aproximadamente sinusoidales a partir de las señales rectangulares generadas por un CMOS 4093. Los resistores R2, R3 y R4 deben cambiarse experimentalmente para obtener una señal con la menor distorsión posible. El ajuste de frecuencia se realiza en P1 entre unos pocos hercios y unas pocas decenas de kilohertz. El consumo del dispositivo es muy bajo. Este circuito es de un libro de Newton C. Braga.




