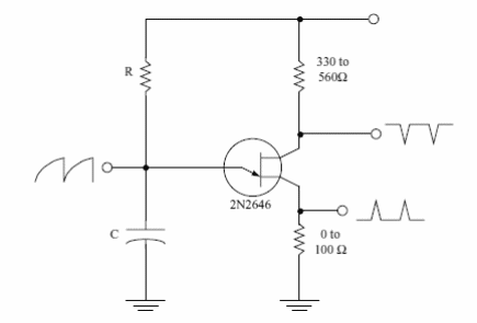
En la figura tenemos un circuito oscilador básico con transistor unijuntura. La alimentación normalmente puede estar entre 6 y 15 V y la frecuencia máxima es de alrededor de 100 kHz. Vea en la sección de matemáticas para electrónica cómo calcular R y C para la frecuencia deseada. El circuito genera señales con tres formas de onda diferentes.

Oscilador básico unijuntura



