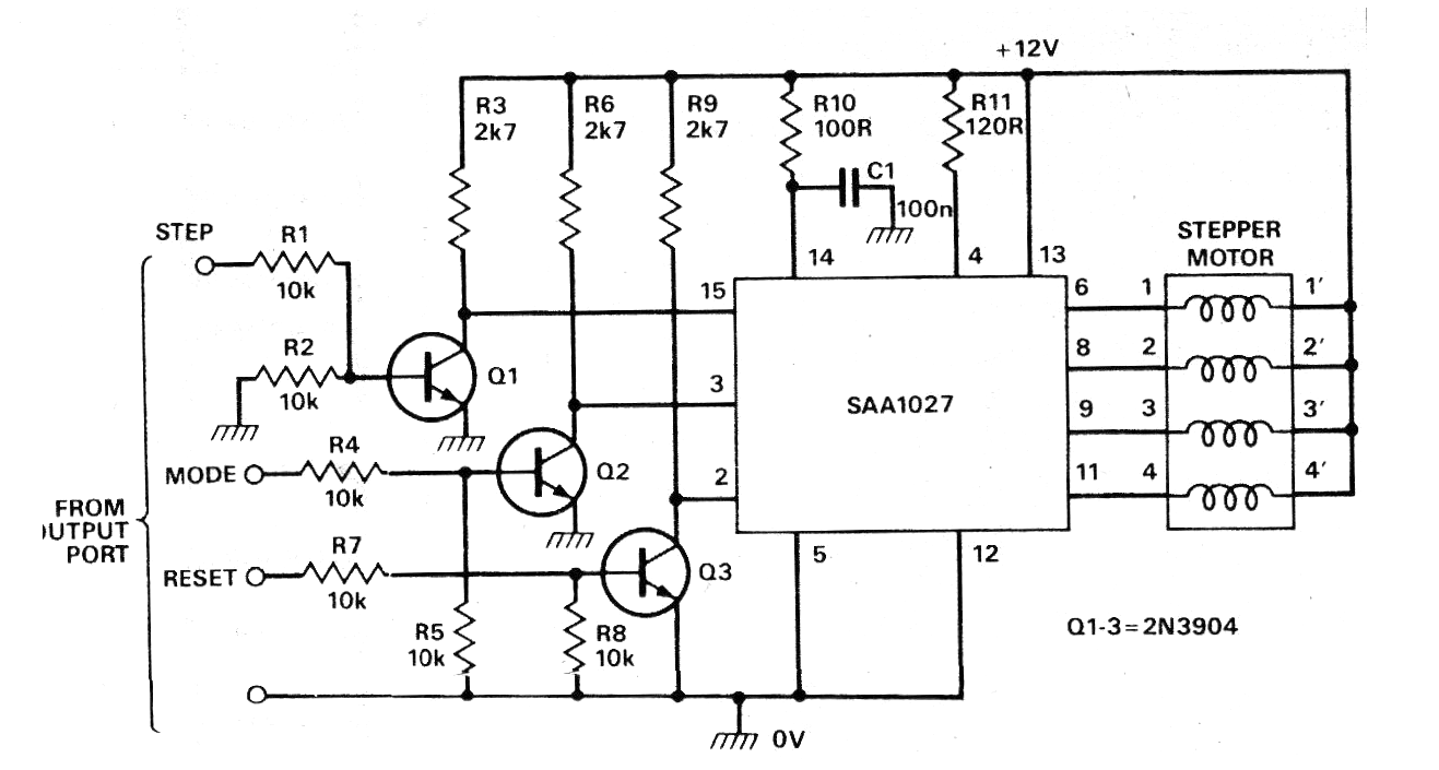
En este circuito tenemos la forma de interconectar el control del motor paso a paso SAA1027 con un microprocesador o microcontrolador. Los transistores pueden ser el BC548 y cada entrada tiene una función en el control del motor. El circuito es de una publicación antigua del fabricante del circuito integrado.




