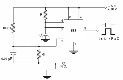
En la figura tenemos un circuito anti-repique con 555. La duración del pulso viene dada por R y C. Más información sobre el cálculo de estos componentes se puede encontrar en la sección de matemáticas, en el título monoestable 555. El circuito es del libro Robotics, Mechatronics and Artificial Intelligence por Newton C. Braga.

Debouncer con el 555 CB11564E CIR17908S



