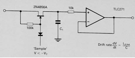
Este circuito es del Linear Circuits Application de Texas Instruments, usando un amplificador operacional con FET TIL271, pero se puede implementar con equivalentes como el CA3140. El circuito requiere una fuente de alimentación simétrica y C1 depende del tiempo de retención de la señal, normalmente entre 10 nF y 1 uF normalmente. El FET puede ser un BF245 o MPF102.

Muestreo y retención



