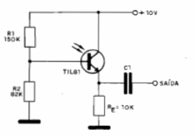
Este circuito está conectado a la entrada de un amplificador para procesar las señales de luz moduladas por un sistema de comunicación óptico, enlace de datos u otra aplicación. El fototransistor utilizado se conecta para amplificar las señales que recibe. El suministro se puede realizar con tensiones de 9 a 12 V y el capacitor C1 depende de la frecuencia de las señales recibidas, pudiendo estar entre 10 nF y 470 nF.




