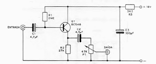
La impedancia de entrada de este circuito es del orden de 700 k ohms y la impedancia de salida del orden de 1 k ohms. La ganancia es buena y el consumo muy bajo, lo que permite que su batería funcione. El circuito amplifica las señales de audio. La resistencia R1 se puede cambiar para obtener el mejor rendimiento según la fuente de señal. Los cables de entrada y salida deben estar blindados. Consulte la sección Circuitos simulados para conocer otros circuitos como este en funcionamiento.




