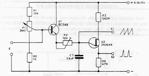
Aunque este circuito utiliza un transistor unijuntura, que no es muy común en la actualidad, es una solución interesante porque convierte un voltaje en una señal de frecuencia correspondiente, en un rango de hasta 50 kHz. Este rango estará centrado en un valor determinado por C3 y el ajuste del ancho de este rango en función de la tensión de entrada se realizará en P1 y P2. El circuito tiene buena sensibilidad, sirviendo para transmitir señales de sensores cuya intensidad puede verse alterada por la resistencia del cable, lo que no ocurre con la frecuencia. El circuito puede ser alimentado por voltajes en el rango indicado en el diagrama e incluso un poco más, como 12 V. Observe las dos formas de onda disponibles en el circuito. Ver también en el sitio web otros circuitos con unijuntura y también fórmulas para calcular su frecuencia.




