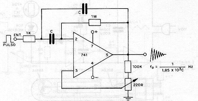
Un pulso aplicado a la entrada de este circuito provoca que se genere una señal sinusoidal amortiguada cuya frecuencia depende básicamente del capacitor utilizado, según la fórmula que se da a continuación del diagrama. El factor de amortiguación se ajusta en el trimpot de 220 k ohmios. La fuente de alimentación debe ser simétrica de 5 a 12 V. Ver en la sección de circuitos simulados este circuito en funcionamiento y en la sección de matemáticas para electrónica, más fórmulas para el cálculo de los componentes. Recuerde que las oscilaciones amortiguadas son las producidas por instrumentos de percusión.




