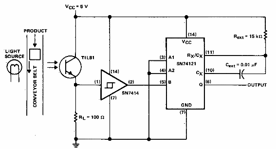
Este circuito genera pulsos cuando se interrumpe el haz de luz que incide en el fototransistor. El circuito es TTL y puede funcionar como un shield. Lo encontramos en la documentación de Texas Instruments.

Generador de impulsos controlado por luz
Este circuito genera pulsos cuando se interrumpe el haz de luz que incide en el fototransistor. El circuito es TTL y puede funcionar como un shield. Lo encontramos en la documentación de Texas Instruments.
