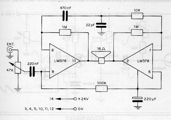
El circuito integrado utilizado en este proyecto ya no es muy común en el mercado, con alternativas más modernas y de mejor rendimiento, pero si el lector tiene uno a su disposición y quiere utilizarlo en un circuito BTL (Bridge) el circuito se da a continuación. El circuito integrado debe estar alimentado por una tensión de 24 V con al menos 800 mA, y la impedancia del altavoz no debe ser inferior a 16 ohms. El potenciómetro de 47 k sirve como control de volumen. Para nuevos proyectos, sugerimos utilizar el LM2878.




