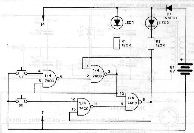
¿Quién es el más rápido? Quien presiona primero la tecla correspondiente (S1 o S2) hace que su LED se encienda e inhiba la respuesta del otro. El circuito funciona con baterías estándar y el diodo D1 reduce la tensión a cerca de 5 V, dentro del rango permitido por el 7400. Vea la sección del artículo sobre cómo hacer una combinación similar usando más interruptores.




