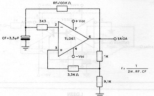
Con los valores de los componentes que se muestran en el diagrama, este circuito genera una señal de 0,5 Hz. Se pueden obtener otras frecuencias simplemente calculando los valores de los componentes utilizando la fórmula que se proporciona al lado del diagrama. Intente mantener el valor de la resistencia y cambie el condensador. La fuente de alimentación debe ser simétrica con tensiones de 5 + 5 V a 12 + 12 V. Para ajustar la frecuencia, conecte un trimpot de 22 k ohms en serie con RF. Se pueden utilizar circuitos integrados equivalentes.




