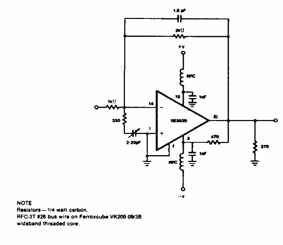
Este amplificador se encontró en documentación de los años 70. El producto ganancia x banda de paso es 350 MHz. El circuito integrado es de esa época, poco común en la actualidad.

Amplificador UHF
Este amplificador se encontró en documentación de los años 70. El producto ganancia x banda de paso es 350 MHz. El circuito integrado es de esa época, poco común en la actualidad.
