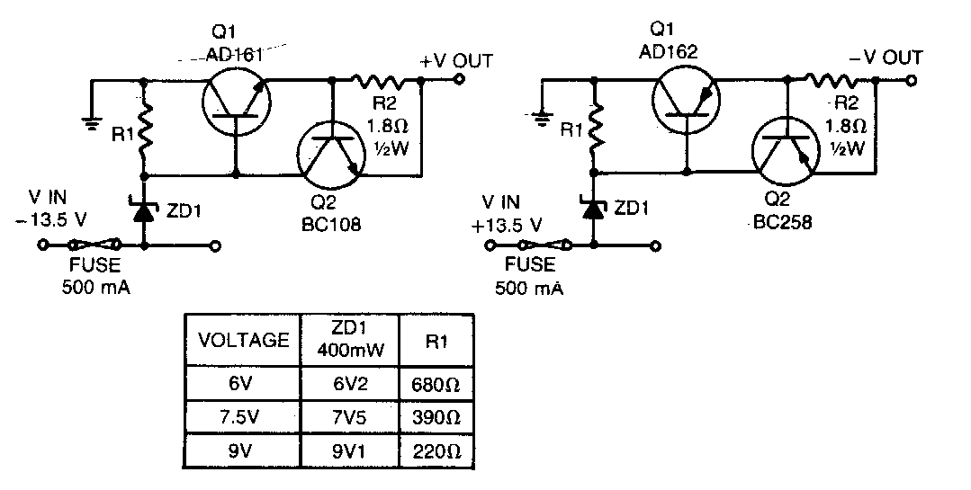
En la figura tenemos dos configuraciones típicas de reguladores de tensión con protección contra cortocircuito. Los circuitos son de los años 70 y se pueden diseñar con transistores equivalentes modernos. R1 determina las tensiones junto con ZD1.
En la figura tenemos dos configuraciones típicas de reguladores de tensión con protección contra cortocircuito. Los circuitos son de los años 70 y se pueden diseñar con transistores equivalentes modernos. R1 determina las tensiones junto con ZD1.