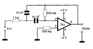
Un rango de frecuencia determinado por la red de resistores y capacitores con retroalimentación negativa y entrada pasa a través de este circuito prácticamente sin atenuación. Sin embargo, las señales de frecuencia fuera de este rango están fuertemente atenuadas. Los valores de los componentes utilizados se pueden cambiar de acuerdo con el rango de frecuencia a sintonizar. Observamos que la selectividad del circuito no es alta, lo cual debe tenerse en cuenta en determinadas aplicaciones. El circuito completo de este filtro se muestra en la figura y utiliza una fuente de alimentación simétrica.




