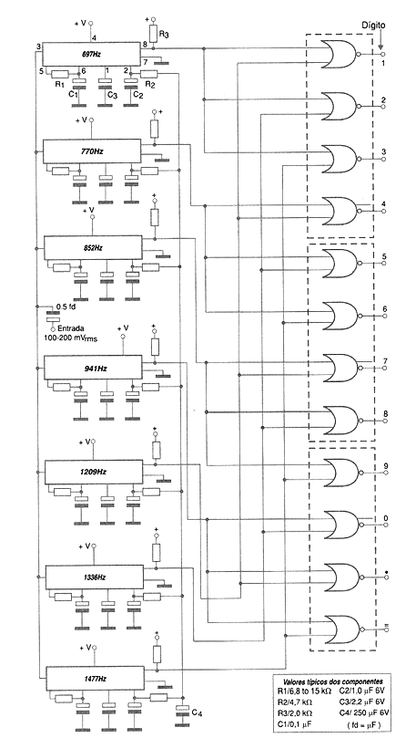
Otro circuito de aplicación para el NE567 se muestra en la figura. Consiste en un decodificador para DTMF, que proporciona salidas decodificadas para los tonos telefónicos. Aunque existen circuitos propios que realizan esta función, el uso del NE567 en una configuración capaz de hacer esto demuestra su versatilidad y, además, puede ser que este sea precisamente el componente que el lector tiene para un experimento.




