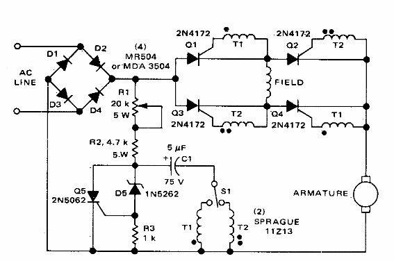
Este circuito de una publicación de General Electric de la década de 1970 se aplica a motores del tipo de bobinado en serie. Los SCR admiten equivalentes de corriente y deben estar equipados con disipadores de calor.

Control de dirección y velocidad para motores



