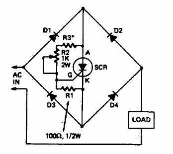
Este circuito con puente de diodos se encontró en documentación de la década de 1970. Tanto el SCR como los diodos deben estar de acuerdo con la potencia de la carga controlada.

Control de onda completo con SCR
Este circuito con puente de diodos se encontró en documentación de la década de 1970. Tanto el SCR como los diodos deben estar de acuerdo con la potencia de la carga controlada.
