Este circuito de alta ganancia se encontró en una documentación estadounidense de los años 90. Los amplificadores operacionales de esa época son poco comunes hoy en día.

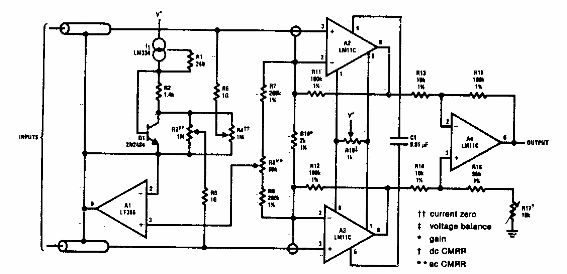
Amplificador de instrumentación diferencial
Este circuito de alta ganancia se encontró en una documentación estadounidense de los años 90. Los amplificadores operacionales de esa época son poco comunes hoy en día.
