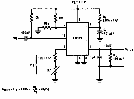
Este circuito a escala completa de 10 kHz tiene una linealidad mejor que 0.006%. El circuito es de documentación de la década de 1980. El circuito integrado utilizado es poco común hoy en día.

Convertidor de frecuencia simple para tensión
Este circuito a escala completa de 10 kHz tiene una linealidad mejor que 0.006%. El circuito es de documentación de la década de 1980. El circuito integrado utilizado es poco común hoy en día.
