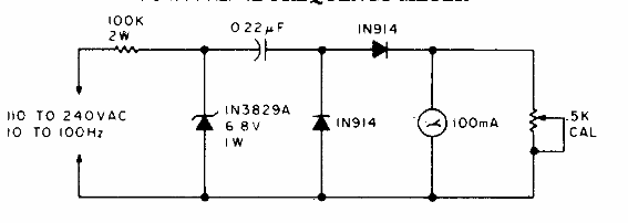
Este circuito simple para monitorear la frecuencia de la red eléctrica utiliza un indicador analógico. El trimpot de ajuste puede ser 4k7 y el indicador es de 100 mA a escala completa.

Medidor de frecuencia de red
Este circuito simple para monitorear la frecuencia de la red eléctrica utiliza un indicador analógico. El trimpot de ajuste puede ser 4k7 y el indicador es de 100 mA a escala completa.
