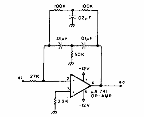
Este circuito de retroalimentación de doble T se encontró en una documentación estadounidense de la década de 1990. El circuito se aplica a cualquier amplificador operacional común.

Filtro de paso de banda de 100 Hz
Este circuito de retroalimentación de doble T se encontró en una documentación estadounidense de la década de 1990. El circuito se aplica a cualquier amplificador operacional común.
