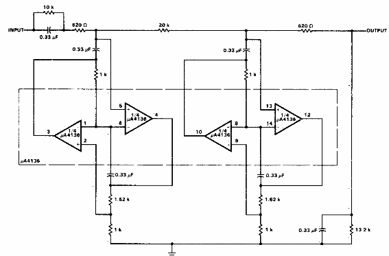
Este filtro activo Butterwoth se encontró en la documentación de los años 90. Se puede hacer en base a amplificadores operacionales modernos. La fuente debe estar de acuerdo con los operacionales utilizados.

Filtro de paso bajo de 400 Hz
Este filtro activo Butterwoth se encontró en la documentación de los años 90. Se puede hacer en base a amplificadores operacionales modernos. La fuente debe estar de acuerdo con los operacionales utilizados.
