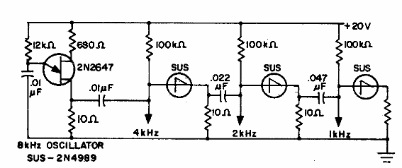
Encontrado en la documentación antigua, este circuito funciona como un divisor de baja frecuencia para señales producidas por un transistor unijuntura.

Divisor secuencial con SUS
Encontrado en la documentación antigua, este circuito funciona como un divisor de baja frecuencia para señales producidas por un transistor unijuntura.
