Este circuito se encontró en una publicación de la década de 1980. El circuito utiliza componentes de la época, algunos de los cuales son poco comunes en la actualidad. El poder es de 5 V.

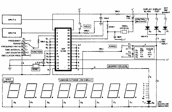
Contador universal de 10 MHz
Este circuito se encontró en una publicación de la década de 1980. El circuito utiliza componentes de la época, algunos de los cuales son poco comunes en la actualidad. El poder es de 5 V.
