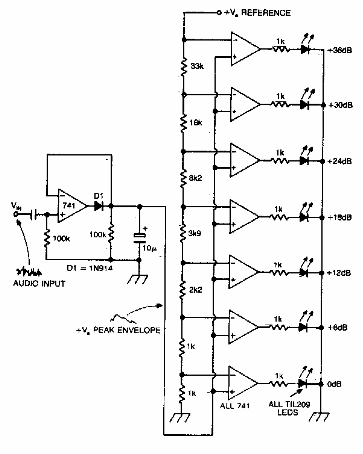
Este circuito se encontró en una documentación de los años 90. El circuito se maneja en pasos de 6 dB. Los comparadores pueden ser de tipos comunes como 339 o incluso 741.

Indicador de pico de audio
Este circuito se encontró en una documentación de los años 90. El circuito se maneja en pasos de 6 dB. Los comparadores pueden ser de tipos comunes como 339 o incluso 741.
