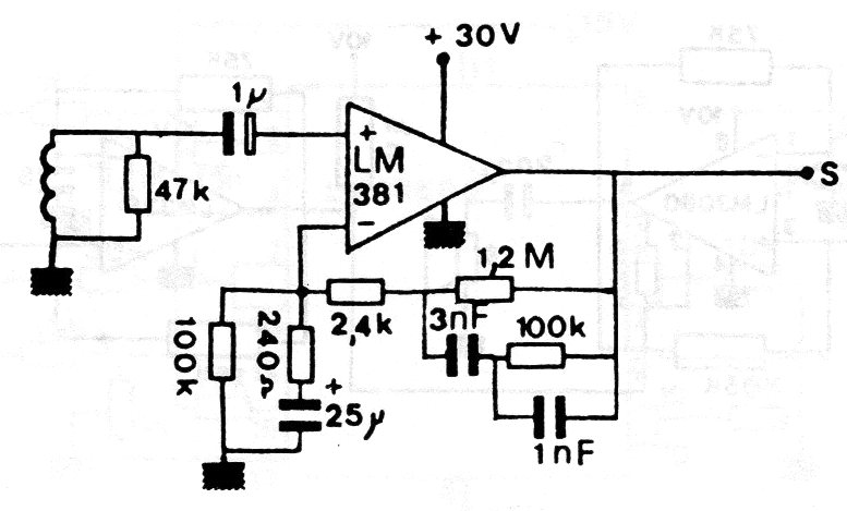
Encontramos este circuito en una documentación de la década de 1980. El circuito integrado utilizado no es común hoy en día. El circuito está indicado para funcionar con cabezales de lectura de viejas grabadoras que usaban ecualización NAB.
Encontramos este circuito en una documentación de la década de 1980. El circuito integrado utilizado no es común hoy en día. El circuito está indicado para funcionar con cabezales de lectura de viejas grabadoras que usaban ecualización NAB.