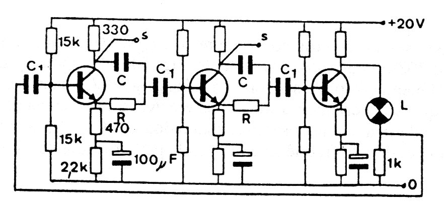
Este oscilador de baja frecuencia se encontró en documentación de la década de 1980. Los transistores pueden ser de propósito general como BC548 y la lámpara estabilizadora es de 50 mA o menos. El circuito tiene su frecuencia determinada por los capacitores.




