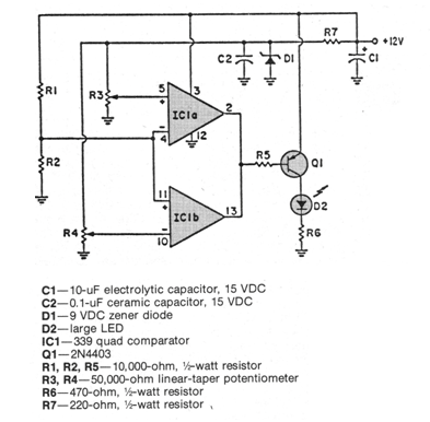
El propósito de este circuito es monitorear la operación de un alternador en automóviles con una batería de 12 V. El circuito mantiene encendido un LED cuando la operación es normal. El circuito es de una publicación estadounidense de los 80.

Monitor del alternador



