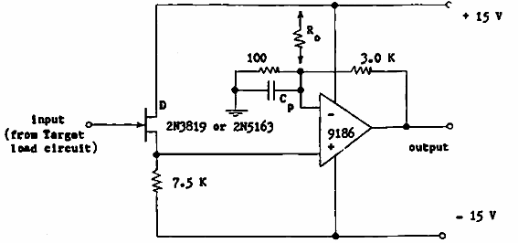
Encontrado en la documentación estadounidense de la década de 1970, este circuito está destinado a amplificar señales de TV analógicas desde una cámara de video.

Amplificador para vidicon
Encontrado en la documentación estadounidense de la década de 1970, este circuito está destinado a amplificar señales de TV analógicas desde una cámara de video.
