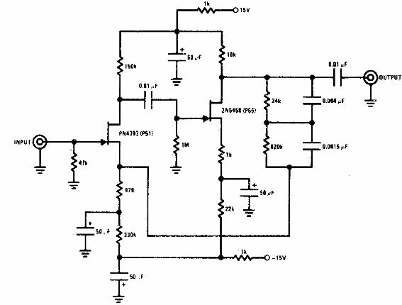
Este circuito de los años 90 tiene ecualización RIAA con una ganancia de 35 dB a 1 kHz. El circuito tiene una sensibilidad de entrada de 2.2 mV para una salida de 100 mV.

Preamplificador para fonocaptor magnético
Este circuito de los años 90 tiene ecualización RIAA con una ganancia de 35 dB a 1 kHz. El circuito tiene una sensibilidad de entrada de 2.2 mV para una salida de 100 mV.
