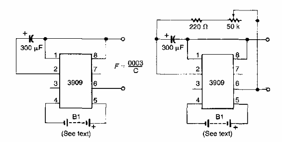
Estos circuitos se obtuvieron en un Electronics Now de los años 90. Los circuitos integrados son de esa época y la alimentación puede estar entre 1.5 y 2 V.

Clocks de baja frecuencia
Estos circuitos se obtuvieron en un Electronics Now de los años 90. Los circuitos integrados son de esa época y la alimentación puede estar entre 1.5 y 2 V.
