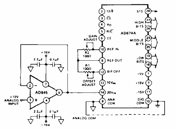
Encontrado en la documentación de Analog Devices de los años 90, este circuito está diseñado para interactuar con convertidores analógicos a digitales.

Unidad de ganancia buffer
Encontrado en la documentación de Analog Devices de los años 90, este circuito está diseñado para interactuar con convertidores analógicos a digitales.
