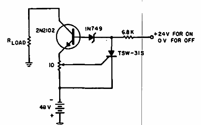
Encontrado en una Electronic Design de 1964, este circuito para cargas de 300 mA utiliza componentes de ese período. Produce un disparo de control de carga rápido.

Circuito de disparo rápido con SCR
Encontrado en una Electronic Design de 1964, este circuito para cargas de 300 mA utiliza componentes de ese período. Produce un disparo de control de carga rápido.
