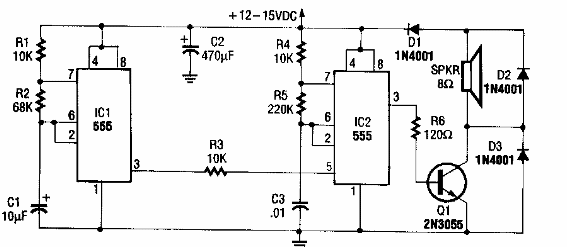
Encontrada en una Radio Electronics de los años 90, esta sirena encuentra muchas variaciones en este sitio. El transistor debe tener un radiador de calor.

Sirena de tono alterno 555
Encontrada en una Radio Electronics de los años 90, esta sirena encuentra muchas variaciones en este sitio. El transistor debe tener un radiador de calor.
