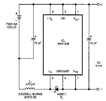
Este circuito suministra una tensión de 5 V desde dos baterías AA. La corriente de salida es de 4 mA, lo que resulta en una corriente de entrada de 11 mA de las baterías. El circuito es de una antigua EDN.

Inversor de 3 a 5 V
Este circuito suministra una tensión de 5 V desde dos baterías AA. La corriente de salida es de 4 mA, lo que resulta en una corriente de entrada de 11 mA de las baterías. El circuito es de una antigua EDN.
