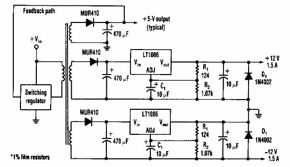
Encontrado en una Electronic Design de los años 90, este circuito utiliza reguladores integrados de la época. Estos componentes deben estar provistos de disipadores de calor.

Regulador de tensi´´on negativa
Encontrado en una Electronic Design de los años 90, este circuito utiliza reguladores integrados de la época. Estos componentes deben estar provistos de disipadores de calor.
