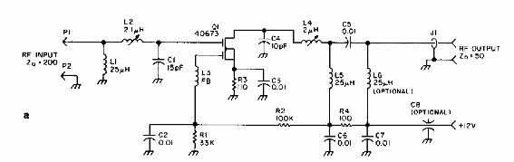
Encontrado en una revista 73 para radioaficionados de la década de 1980, este circuito utiliza un MOSFET de doble puerta. Este componente no es común actualmente.

Preamplificador para 30 MHz
Encontrado en una revista 73 para radioaficionados de la década de 1980, este circuito utiliza un MOSFET de doble puerta. Este componente no es común actualmente.
